安华高首页
关于我们
公司简介
资质荣誉
招贤纳士
新闻动态
产品展示
信息反馈
联系我们
关于HEDSS
资料下载
欢迎您访问 无锡科斯德科技有限公司 的公司网站!
| 加入收藏
| 企业邮箱
| 站点地图
简体中文
ENGLISH
产品列表
瑞普安华高
HKT系列
ISC系列
RA系列
RGT系列
ZKP系列
ZKT系列
ZSF系列
ZSG系列
ZSP系列
ZSSY系列
ZY系列
HEDSS编码器
ISMM系列
IHC系列
ICU系列
IHU系列
ISL系列
ISN系列
ISA系列
IHA系列
ISM系列
DR、KR系列
HKT系列
HKM系列
AHC系列
ASC系列
ASS系列
FSC系列
DR、BR系列
ISC系列
内密控
科斯德
实心轴类
同步伺服法兰
法兰安装类
带UVW信号类
半空心轴类
空心轴类
手摇类
无轴类
联轴器类
产品搜索
应用行业
请选择
数控机床
伺服电机
工业自动化
产品结构
请选择
实心轴
空心轴
手摇/手持
伺服电机
分体式
外径(mm)
请选择
0-30
30-40
40-50
50-70
>70
孔径/轴径
请选择
0-4
4-10
10-20
20-50
>50
分辨率
请选择
<100
100-500
500-1000
1000-2500
>2500
工作电压
请选择
5V
5-12V
12-24V
5-24V
输出电路
请选择
电压输出
长线驱动
推拉输出
集电极开路
关键词
产品分类列表
瑞普安华高
HKT系列
ISC系列
RA系列
RGT系列
ZKP系列
ZKT系列
ZSF系列
ZSG系列
ZSP系列
ZSSY系列
ZY系列
HEDSS编码器
ISMM系列
IHC系列
ICU系列
IHU系列
ISL系列
ISN系列
ISA系列
IHA系列
ISM系列
DR、KR系列
HKT系列
HKM系列
AHC系列
ASC系列
ASS系列
FSC系列
DR、BR系列
ISC系列
内密控
科斯德
实心轴类
同步伺服法兰
法兰安装类
带UVW信号类
半空心轴类
空心轴类
手摇类
无轴类
联轴器类
产品展示
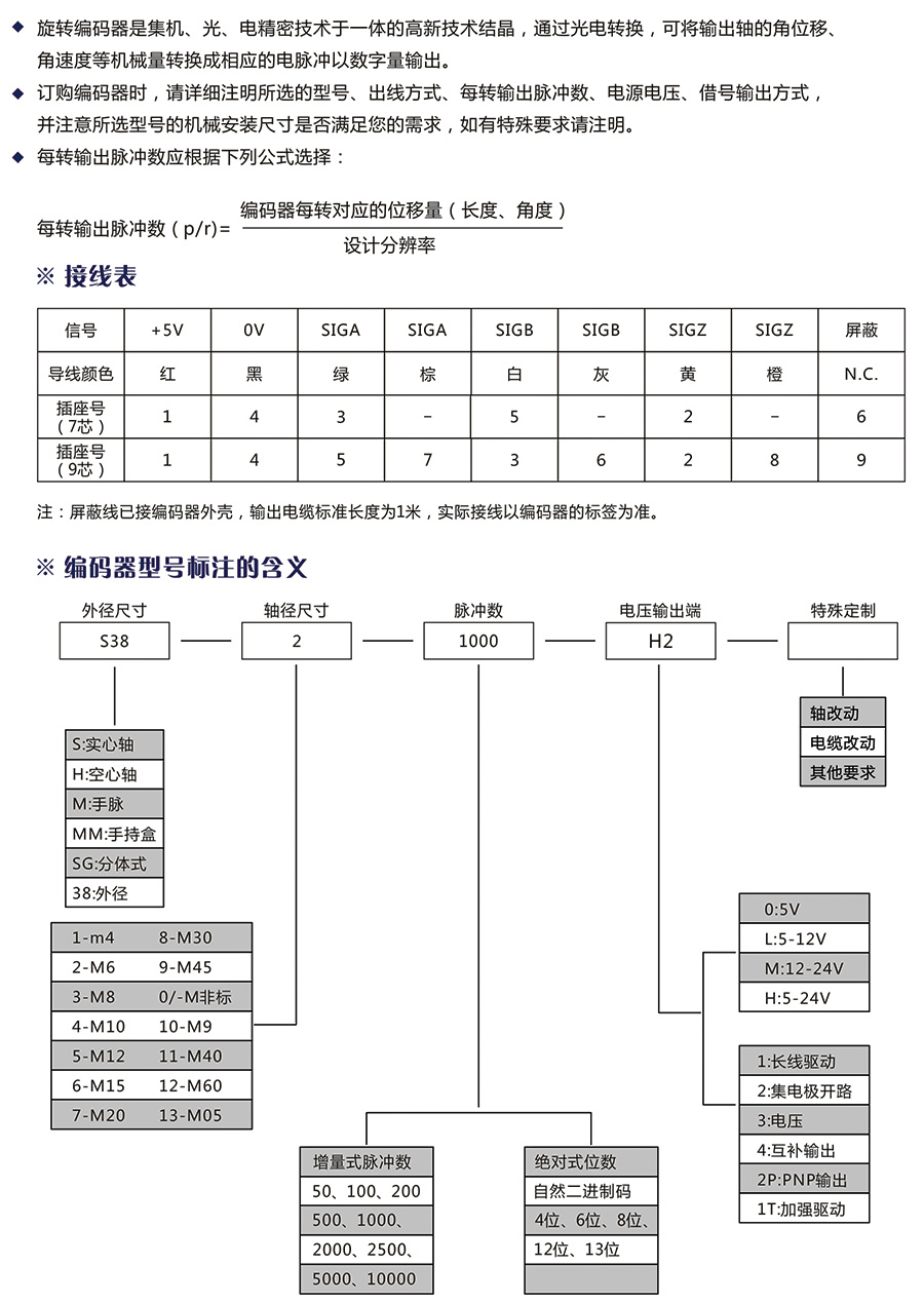
选型指南
下一页:S30-1
隐私政策
法律声明
关于我们
新闻动态
工作机会
联系我们
站点索引
打印该页
发邮件给我们
返回顶端